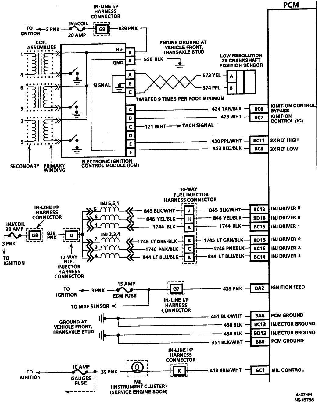
hey i got an 03' Buck Century and it did not come with a tachometer factory. I bought a small under dash type digital tach (cyberdyne) but do not know how to hook it up. The century has the 3100. thanks guys
Announcement
Collapse
No announcement yet.
Tachometer Hookup
Collapse
X


Comment