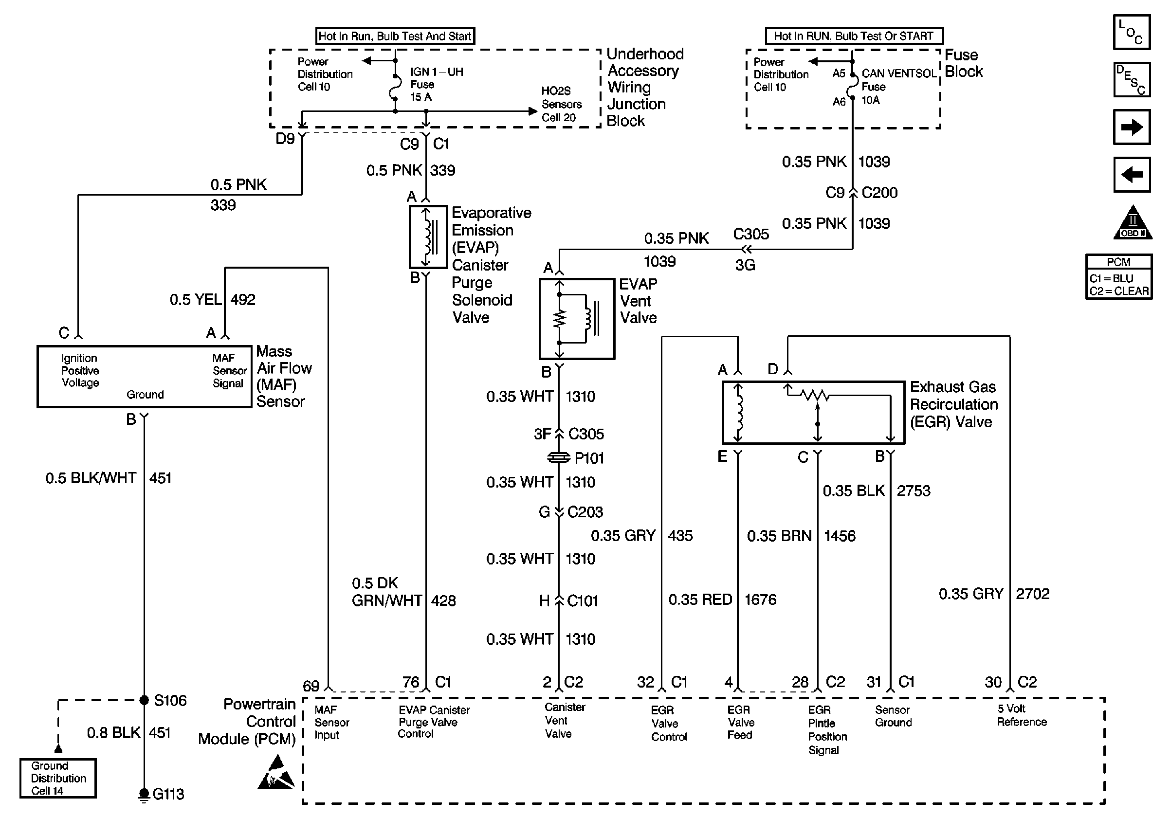
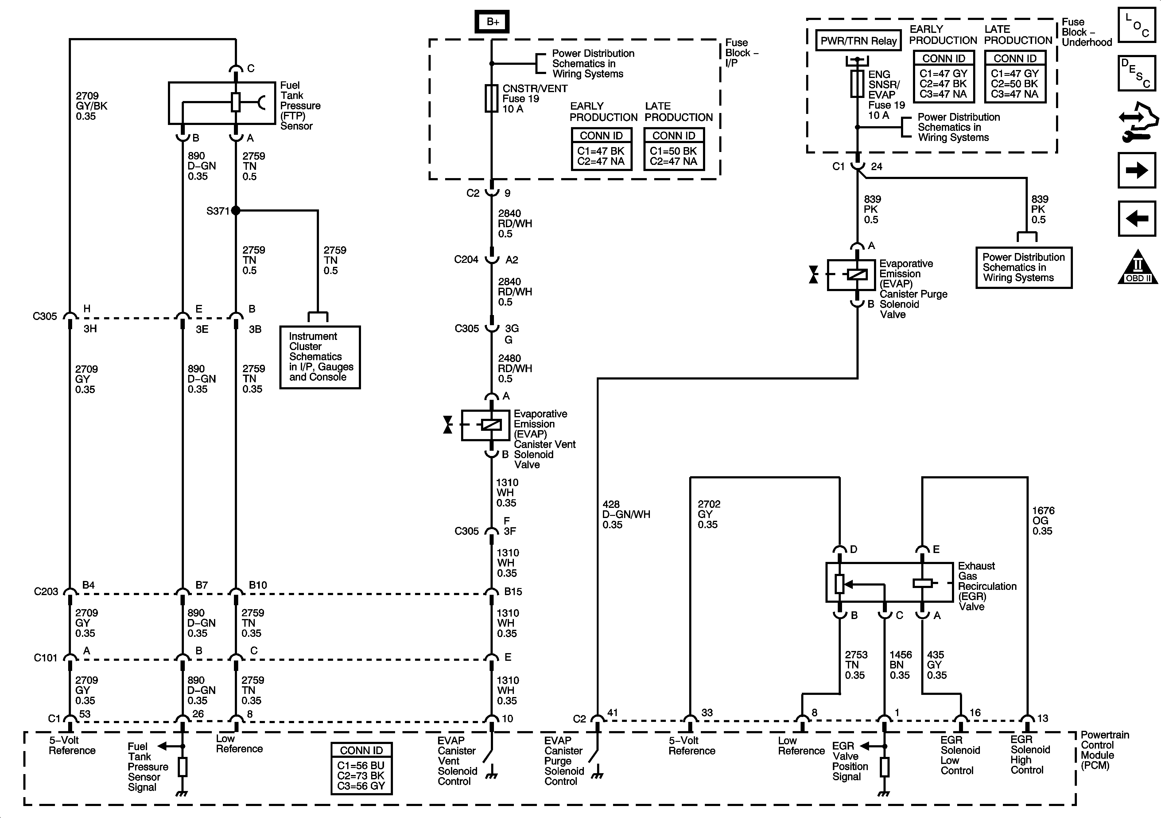
Here is some information regarding EGR valve differences between a 2005 LX9 and 1999 LA1 engines.
1999 LA1/3.4L EGR Valve, Delphi Part # EG10022
2005 LX9/3.5L EGR Valve AC Delco P/N 2142018.
Both EGR valves use 5-wire connectors. But the connectors are not interchangeable.
The valves function the same and have the same wiring, but an orange and tan wire is used in the 2005 LX9 EGR valve, and a red and a black wire is used in the 1999 LA1 EGR valve. When using a 1999 LA1 engine harness, a 2005 EGR connector needs to be used.





1999 LA1/3.4L EGR Valve, Delphi Part # EG10022
2005 LX9/3.5L EGR Valve AC Delco P/N 2142018.
Both EGR valves use 5-wire connectors. But the connectors are not interchangeable.
The valves function the same and have the same wiring, but an orange and tan wire is used in the 2005 LX9 EGR valve, and a red and a black wire is used in the 1999 LA1 EGR valve. When using a 1999 LA1 engine harness, a 2005 EGR connector needs to be used.


Comment